【導讀】脈沖寬度調制(PWM)是利用微處理器的數字輸出來對模擬電路進行控制的一種非常有效的技術,從測量、通信到功率控制與變換的許多領域中廣泛應用,以其控制簡單,靈活和動態響應好的優點而成為電力電子技術最常見的控制方式。
一、PWM原理
脈寬調制(PWM)控制方式就是對逆變電路開關器件的通斷進行控制,使輸出端得到一系列幅值相等的脈沖,用這些脈沖來代替正弦波或所需要的波形。也就是在輸出波形的半個周期中產生多個脈沖,使各脈沖的等值電壓為正弦波形,所獲得的輸出平滑且低次諧波少。按一定的規則對各脈沖的寬度進行調制,即可改變逆變電路輸出電壓的大小,也可改變輸出頻率,如圖1所示為脈寬調制原理圖。

圖1 脈寬調制原理圖
例如,把正弦半波波形分成N等份,就可把正弦半波看成由N個彼此相連的脈沖所組成的波形。如果把上述脈沖序列用同樣數量的等幅而不等寬的矩形脈沖序列代替,使矩形脈沖的中點和相應正弦等分的中點重合,且使矩形脈沖和相應正弦部分面積(即沖量)相等,就得到一組脈沖序列,這就是PWM波形。根據沖量相等效果相同的原理,PWM波形和正弦半波是等效的,如圖2所示為正弦波PWM調制波形。

圖2 正弦波PWM調制
二、PWM在LED驅動電源中的作用PWM信號驅動是LED驅動電源中的一種。許多LED應用都需要具備調光功能,比如LED背光或建筑照明調光。通過調整LED的亮度和對比度可以實現調光功能。簡單地降低器件的電流也許能夠對LED發光進行調整,但是讓LED在低于額定電流的情況下工作會造成許多不良后果,比如色差問題。取代簡單電流調整的方法是在LED驅動器中集成脈寬調制(PWM)控制器。
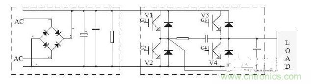
PWM的信號并不直接用于控制LED,而是控制一個開關,例如一個MOSFET,以向LED提供所需的電流。PWM控制器通常在一個固定頻率上工作并且對脈寬進行調整,以匹配所需的占空比,應用者的系統只需要提供寬、窄不同的數字式脈沖,即可簡單地實現改變輸出電流,從而調節LED的亮度。當前大多數LED芯片都使用PWM來控制LED發光,為了確保人們不會感到明顯的閃爍,PWM脈沖的頻率必須大于100HZ。PWM控制的主要優點是通過PWM的調光電流更加精確,最大程度地降低LED發光時的色差,如圖3所示為脈寬調制(PWM)LED驅動器控制電路。

圖3 脈寬調制(PWM)LED驅動器控制電路
三、如何準確分析LED驅動電源中的PWM信號
PWM信號在LED驅動電源中的作用已經不言而喻了,那么如何才能做出高質量的PWM驅動電源呢?廣州致遠電子ZDS4054PLUS示波器基于512M的存儲深度,可以長時間觀測PWM驅動器控制LED燈光變化時的脈寬長度變化,便于工程師對燈光亮度進行準確的調節。100萬次每秒的波形刷新率和豐富的觸發方式快速捕獲PWM信號,并且在ZOOM放大模式下,可對波形細節進行重點分析。如圖4所示為PWM信號調制波形。

圖4 PWM調制信號
同時在LED驅動電源中最重要的就是對脈寬信號進行準確的測量,ZDS4054PLUS示波器基于51種參數測量可對脈沖寬度、幅值、信號的上升時間等參數準確測量,大大加快研發進程,而且可以通過分段存儲方式對每次觸發到的PWM波形進行存儲,便于分析。如圖5為使用ZDS4054Plus示波器測得的PWM信號放大波形。

圖5 PWM信號ZOOM放大波形



