【導讀】實現一款高集成度、精密、較大功率的多通道源測量單元(SMU)需要突破哪些設計難點?要實現全象限的Force Voltage / Measure & Clamp Current以及Force Current / Measure & Clamp Voltage的功能,如果要使用離散器件搭建整個控制環路,無疑是非常復雜的。
實現一款高集成度、精密、較大功率的多通道源測量單元(SMU)需要突破哪些設計難點?
1. 全象限控制環路設計
要實現全象限的Force Voltage / Measure & Clamp Current以及Force Current / Measure & Clamp Voltage的功能,如果要使用離散器件搭建整個控制環路,無疑是非常復雜的。使用ADI的方案,作為主控的AD5522不僅集成了Force Voltage和Force Current的環路控制以及鉗位功能,同時內部也集成多個range的shunt電阻可以實現多檔位的電流測量,兼具CCOMP以及CFF補償引腳配合外部多路選擇器實現多種補償及前饋網絡的選擇,可以適應各種復雜的外部DUT負載參數配置。
2. 高集成度且低噪聲
如果要在提高通道密度的同時需要降低輸出噪聲,全部使用線性級的方案因為通道密度過低無法用于ATE場合,然而全部使用開關級的方案因為過高的噪聲也不適合。本方案使用開關級+線性級調制的方案,綜合了開關級高密度以及線性級低噪聲的優點。開關級使用ADI公司第二代Silent Switch集成開關轉換器LT8646S以及LT8648S,可以實現遠低于普通DC/DC的輸出噪聲。
3. 輸出級動態功耗調整
通常SMU輸出級器件的功耗限制了SMU的輸出功率范圍。本方案特有的輸出級供電動態跟蹤模式,極大的減小了輸出級的功耗。使得I、III象限的輸入及輸出能力達到了供電電源能夠提供的最大值。輸出級也可以工作在固定電源電壓的模式,以提供最快的脈沖電壓/電流輸出能力。
4.電流多Range控制及測量
本方案提供多個Range的Shunt電阻以及切換電路,可以實現大電流到小電流多個量程的全覆蓋輸出和測量要求。電流檢測電路工作在電源高邊,并且使用ADI特有的集成精密匹配電阻的高壓差分放大器LT1997-3實現高CMRR采樣。高邊電流采樣也為多通道并聯提供了極大的方便。
為了克服這些難點,ADI推出了一款采用四象限參數測量單元AD5522的系統解決方案,靈活且全面~
ADI解決方案一覽

高壓大電流SMU設計參考
本設計方案使用AD5522作為系統主控。AD5522除了完成FV以及FI的環路控制以外還具有電流及電壓的鉗位功能,從而保證DUT的安全。使用多個高邊Shunt電阻實現了多個電流RANGE的檢流組合。ADC部分我們推薦使用ADI公司新一代16/18位1 Mbps采樣率的8通道同步采樣ADC AD7606C-16或AD7606C-18。供電部分使用了ADI第二代Silent Switch集成開關轉換器LT8646S,最大支持65 V電壓輸入以及8A電流輸出。

高壓小電流SMU設計參考方案
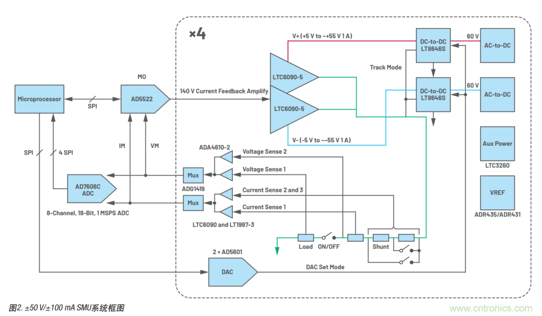
本設計方案基本沿用方案1的電路結構,最大的區別在于使用了多片LT6090-5替代了方案1的電壓和電流放大級。兩片LT6090-5 以并聯方式工作,在提供了±50 V相同電壓輸出范圍的同時,實現了總共±100 mA的電流輸入輸出范圍。在應用此方案時需要對這兩片LT6090-5的輸出做均流處理,以防止任意一路輸出不均衡。

低壓小電流SMU設計參考方案
本設計方案也基本沿用方案1的電路結構,區別在于使用了LT1210 替代了方案1的電壓和電流放大級。LT1210具有35 MHz的小信號帶寬和900 V/uV的擺率,它可以輸出連續1.1 A、峰值2A的輸出電流。對于小于2 mA的小電流檔位,本方案使用了AD5522自帶的小量程FOH作為輸出。AD5522內部集成了±5 uA、±20 uA、±200 uA 以及±2 mA的多個電流量程檔位,可以實現精確的小電流測量。當要大電流輸出時,可以切換到EXTFOH驅動LT1210輸出。
免責聲明:本文為轉載文章,轉載此文目的在于傳遞更多信息,版權歸原作者所有。本文所用視頻、圖片、文字如涉及作品版權問題,請電話或者郵箱聯系小編進行侵刪。






