- 金鹵燈電子鎮流器設計
- 通過限流來降低輸出的電壓
- 加運放實現恒電流輸出
以節能為主的現代照明中,金鹵燈以其優良的照明效果,較高的顯色指數在商業領域得到了廣泛應用,目前由于電子產品的不穩定性和制造工藝的制約,使該系列產品并未得到較為廣泛的應用。本文是針對目前各廠碰到的一些電路結構的分析,并結合本人在電路設計方面的經驗所得出的一些心得體會。
一.金鹵燈的燈管
金鹵燈作為高強度氣體放電燈的一種,它包含了高壓氣體放電燈的一些典型特性,以民用 70w單雙端燈泡為例:不同廠家或相同廠家的制造工藝,均有可能使燈泡的電氣參數出現離散。主要體現為管壓、管流以及金鹵丸的微量元素的差別,和色溫的誤差,其中以燈管管壓和管電流尤為明顯。
二. 恒功率,用一個電子鎮流器 , 點不同的燈泡會出現不同的功率。
如用不同廠家的燈泡有可能會出現更大的參數差別。所以對于電子式金鹵燈鎮流器,有恒功率的要求,即同一電子鎮流器點不同廠家的燈泡會得到同一輸入功率。例如點不同70w 金鹵燈為輸出70w,點150w 負載燈泡時的輸出也為70w。鎮流器不會因為燈泡的差別而影響輸出功率,所以這個功能對于電子鎮流器優為重要,這個功能可使不同的燈管在同一功率下能穩定地工作。(能均恒在多支燈同時使用的場合產生的光線誤差并有效減少了該誤差的存在——恒功率)。
三. 寬電壓的輸入。
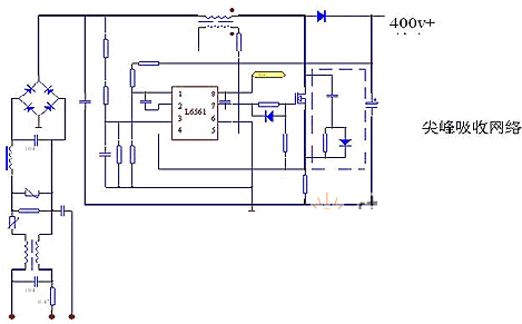
電路結構中的前端APFC 電路,它的應用除可以修正輸入電壓與電流的波形相位,還可以使輸出的直流電壓穩定在 直流400V,即輸入100v~260v 交流變化時,電路的輸出均為400v 直流,同時功率因素修整為0.99 以上,對于群體使用的TH D 的控制更具優勢,平均可控制電流總諧波含量在8%,如電路調試良好可控在3%以內。APFC 分為DCM 和CCM 二種,DCM 為峰指電流型即通用常見的STL6561,SA7527 ,MC33262.。 CCM 型 IR1150 等。
DCM 大部分用于450w 以內的電路結構,由于DCM 是頻率與脈寬均可調,電路結構相對簡單,而且應用最為廣泛的結構,該結構的缺點為在空載啟動時,上沖電壓較高,原則上輸出電壓會停留在400v,這個電壓是由1 腳的電阻分壓采樣決定的,1 腳基準電壓為2.5v,如電阻分壓超過2.5v 芯片的輸入會控制輸出PWM 波形寬度會減小,會使電感的儲能減少,從而減少輸出能量,降低輸出電壓。

[page]
1. 這個部分的主要可靠性是來自于主電路的啟動沖擊電流以及MOS的導通角,如果采樣電流過低,4 腳采樣反饋不及時,會導致MOS 導通電流過大,以致電路失效。
2. 輸出的電壓過高(啟動時),1 腳與2 腳去耦參數不匹配,空載電壓會上沖到450-500V 以上,導MOS 的耐壓超標導致電路崩潰。
3.在低電壓時,MOS 的升壓電流更大(PWM 輸出導通較寬)MOS 溫升較高。這時可將電壓范圍設定為接近值,例如:120v~260v 時同等負載測試時,可將電感的感量及匝數,按照260v 時的輸入值,設定并最大可能減少次級匝數。在120v 時可將輸入最低電壓設定為110v最大限度增加電感感量,使母線在110v 滿載時輸出達到額定的400v。在260v 時設定次級是由于輸入電壓升高,輸入電流減小會使次級電壓下降,5 腳電流采樣失效,使芯片進入重新啟動(誤以為空載)母線不斷脈動的重新啟動。110V 調試時感量大,可減少因輸入電壓低而導致的PWM 頻率太高,帶來的MOS 開關損耗,感量大時亦可有效減少峰值電流的值。另一減少MOS 溫升的方式是并聯一路吸收網絡。電阻并聯高速二極管后在串聯一只電容可使MOS 開關時的尖峰反向電壓得到有效吸收。(小功率無明顯優勢)。
4. 在 110v時為加大感量后,可以加大電流采樣電阻,例:在調試 70w負載,110v時可接 80W負載試驗,并適當最大化這一值,以保證在低壓可有效預防啟動時沖擊電流過大(電流反饋速度更快)。
5. 器件的選擇上有幾點需要注意:
⑴ 電容: 要選取一些對于高頻損耗較小,耐高溫,容量誤差較小的電容。例如:去耦電容的容量誤差及隨溫度變化量的大小會決定啟動和輸出電壓的精度。(華容及法拉,較為穩定,以經長期驗證)。
⑵ 電阻 :分壓采樣的這個精度決定母線電壓,所以要選取1%精度的金屬膜電阻,電流采樣最好采用無感(小功率無特殊要求)。
⑶ 二極管 :原則上開關時間越小的二極管損耗越小,但在實際使用時未能發現這一趨勢,(日本新電源在大功率120v 250w 以上有明顯優勢)。
以上是器件選擇的幾點心得。
四、降壓式限流:
Buck 電路在降壓電路中有著廣泛的應用,是通過限流來降低輸出的電壓,電路比較成熟,有較多成功案例。但是,Buck 比較適應峰值電流小而平均電流較大的場合。對于HID 燈來說有不少的缺點,曾經有過的調試經驗得出結果為100w 以下的HID 比較合適。150w 以上不能接受,溫升太高而且越是管壓低管流大的燈負載越是明顯。
Buck 電路目前絕大部分廠家是使用電源芯片UC3843-UC3845 這類。加運放實現恒電流輸出,在加上母線電壓400v 恒定,即實現恒定輸入功率。
但由于UC3843 芯片為固定頻率調節占空比的IC,最大占空比為50%,即如果是負載差別較大時,會從20%~50%之間去調節占空比來調節MOS 的開關時間,減少MOS 導通時間,在經L,C 平滑濾波來實現調節負載電壓這一方式。那么如果是100w 負載時,50%的導通和25%的導通,25%的導通峰值電流會是50%的一倍,負載調整率越高越會使效率越低,溫升越高,其可靠性就越差。如圖:

原理:
UC3843 為電源專用芯片各腳工作原理如下:
8 腳 REF 5V 基準電壓
7 腳 VCC
6 腳 PWM 輸出
5 腳 接地
4 腳 Rt.ct.振蕩且信號輸入
3 腳 內部運放輸入
2 腳 補償
1 腳 過流保護 1V 有效
建議:做中大功率時采用其它功率調節結構,做50%占空比(固定)通過PFM 式調節輸出電流或者雙管正激式,這樣在做中大功率時效果會更好。
雙管正激式在大功率電源以及電子逆變焊機領域有著較多成功應用。值得借鑒其調整方式安全可靠,輸出電壓會更低,特別是大電流可靠性對于大功率金鹵燈的低頻驅動有著明顯優勢。在BUCK 電路各調節中,原則上頻率越高時,峰值電流越小,但開關損耗越大,所以建議頻率在30KH 左右,另電流輸入中的采樣電阻盡可能大些,太小在燈負載變化大時,會采樣失敗,功率失控,以致炸機。
L 的選擇在降壓式電路中的電感是儲能及平滑波形的作用,所以對磁材可以用鐵氧體磁芯和非晶磁環均可,感量可適當加大。感量加大可使MOS 的開關波形中的余振更小,更有利于MOS 的工作可減小MOS 的反向承受電壓,(示波器可以測試MOS 的源漏極)。器件選擇如上:(PFC 電路中的選取原則)
五、全橋輸出:
目前應用較為廣泛為IR2110-IR2153,L6569+6569,UBA2030~UBA2033。在HID 全橋中以半橋的高壓吸收以及芯片排版等處理較為重要。例:在2153+2153.6569+6569 的主電路中,上管的自舉電壓中輸出信號的處理有幾點經驗:
1. 上管的供電電壓是由芯片Vcc 處12v 經外部二極管或內部二極管在下管導通時中線接地后,向VB 端充電。下管截上后,上管導通時,中線由對地OV 上拉到接近400v。此時,VB 端在中線上加11V(二極管減0.7v 后到電容上只有11v 左右)上管的驅動能量均由此電容的充電電流驅動,所以,電容的電壓決定上管工作狀態,如:容量較小在全橋驅動中,由于頻率較低向電容的充電次數沒有高頻中的次數多,所以需相應加大此處電容容量以保證上管的驅動電壓,在向上管輸出1 時,在1 的后端電壓最好能高過9v。否則上管的MOS 開關波形將會受損,開關損耗加大,易損壞。可將芯片的Vcc 提到15v可改善此項,但也要根據不同MOS 調試,結果不同。
2. 盡可能做到芯片的單點接功率管的地,此項對在驅動MOS 的芯片輸出波形上較為重要,以減小外界對芯片工作時的干擾,Vb 電容,RT.CT 布線要短,Vcc 濾波電容要盡可能靠近1 和4 腳。
3. 在中線上接一只二極管并于VB 電容端正端以防半橋中線振蕩時帶來的正向尖脈沖會損壞芯片懸浮地VSS,也就是電路啟動或者正常工作時(特別是在燈泡未進入穩態的過程中)輸出波形抖動對半橋的正向尖脈沖易損壞芯片。
4. UBA2030-2033,這是飛利浦針對全橋驅動專業設計的芯片有HV自供電功能比較先進和簡單的電路驅動結構。由HV 降壓濾波電容,RT.CT.VB 電容即可工作。如用簡單的驅動,顯然,UBA2030 的絕大部分優勢并未顯現。如減小低頻方波對于鎮流器以及電源沖擊,以及噪聲的處理,可用單片機生成PWM 波對UBA2030,以及全橋IR2110-+2153 實現接近正弦波的處理,即生成在純方波之前和之后加一高速PWM 的小方波,以平滑全橋方波的前極和后極形成過渡電壓波形即可,出現接近正弦波可有效減小,純方波帶來的低頻噪音及對鎮流器周邊輻射。
5. 全橋MOS 中二個半橋對地電容以及二極管對尖峰吸收作用根據以往的經驗,不要太過依賴MOS 中的自代的二極管,要加強全橋中的Lc 吸收。
6. 高壓點火路線由于后極母線電壓會隨燈的擊穿而降至燈電壓,所以原則只要選擇的放電管的雪崩值高于燈管電壓而低于母線空載電壓即可。一般選取230v~350v 之間,有半導體DISC,空氣放電式,陶瓷放電式,可控硅觸發式,自耦式等多種結構。目前以半導體式和自耦式居多。汽車的HID 以陶瓷放電為主。
⑴ 半導體式 放電次數較多,壽命較長。但放電能力有限,峰值電流不大,電壓精度較好。
⑵ 空氣放電 式受空氣的濕度影響較大,對于放電電壓要求不高的高壓場合較為適用,可用于超高壓的快速啟動的二級放電。
⑶ 陶瓷管 來源于防雷管領域,優點順態電流可上千A,壽命不長,有效壽命在5 萬-10 萬次左右,(視不同廠家效果不同,最好的是西門子),壽命末期電壓值漂離較大。
⑷ 可控硅式 早期由于DISC 的半導體結構的不成熟而做的替代電路,由DB3 的分壓決定可控硅的放電電壓,壽命較長,但電流能量較小,開關速度較慢,對于高壓鈉燈較為適用,對于金鹵燈對脈沖寬度有要求的場合不太適用,可改良結構但成本較高放棄。
⑸ 自耦式 將全橋的電線并聯一104-474 電容.在電容中串入變壓器的初級,全橋振蕩時,電容二端電壓突變充放電流流過變壓器初級時,會在次級形成高壓輸出,升壓能力由 MOS 的內阻以及電容的內阻決定,電流大小由電容容量決定,但電容越大,充放電電流越大,對全橋造成的負擔越重,不利于長期燈工作,越小容量放電電流越弱,對長線點火不利,同一負載用自耦式104 和DISC 式全橋有10 度左右溫差。(150Hz 70w)



