- 非接觸式高壓驗電器的工作原理
- 非接觸式高壓驗電器的改進方法
- 電源的改進
- 傳感器的改進
- 電路結構的改進
- 送往計算機信號的改進
工程背景
非接觸式驗電器不直接與高壓線接觸,利用高壓線附近的電場來檢測高壓線路是否帶電,通過指示燈發出有電或無電信息,同時還可以給監控設備發送有電或無電的監控信息。本裝置固定安裝在室外某段高壓線的電線桿上,它采用交流或直流電源對整個設備供電,免去了更換電池的煩惱,因此它既可以用于檢測高壓線是否帶電,也可以用于長期監視高壓線工作。本裝置外部安裝了防水盒,完全可以滿足室外工作的要求。
本次開發的驗電器主要用于鐵路中高壓輸電線路的監測工作,其設計要求是監測鐵路中27.5kV電壓線路的運行情況。
非接觸式高壓驗電器存在的不足
前文中所指驗電器已經投入市場,雖其運行情況一直良好,但因驗電器自身原因,其性能和功能方面還不完善。根據客戶返回意見和實地調查研究,發現驗電器主要存在以下不足。
●傳感器信號的讀取不穩定,下雨天信號弱,晴天信號強,不利于驗電器正常工作;
●驗電器無自帶電源,使其只能安裝在有市電電源附近;
●驗電器可靠性和穩定性有待提高;
●驗電器往計算機送信號時信號不穩定。
為了提高系統的穩定性,擺脫使用場地的束縛,有必要對驗電器的電源、傳感器和電路等結構進行改進,完善其性能。
非接觸式高壓驗電器的改進
1電源的改進
高壓線和220V市電是分開架設的,高壓線一般架設在空曠或居民較少的地方,而220V市電一般架設在城鎮或有村莊的地方,只有在特殊的地方才會同時架設高壓線和市電電線,而前文中驗電器電源采用市電220V交流或110V直流供電,使得驗電器的使用場地受到限制,大大降低了其市場價值。為了擺脫使用場地的束縛,本文對驗電器電源進行了改進,采用太陽能電池組和蓄電池組合為驗電器供電。
太陽能電池為上海交大泰陽綠色能源有限公司生產的TSM-10M電池組,蓄電池為南京海格科技有限公司生產的GHB-6FMO.8蓄電池,該電池能提供12V直流工作電壓。將太陽能電池組與蓄電池組合起來作為整個設備電源,晴天陽光充足時太陽能電池工作,為整個電路和蓄電池提供12V直流工作電壓,蓄電池充電,晚上或陽光較少時由蓄電池為整個電路供電。改進后的驗電器不需要220V市電電源供電,可以要安裝在任意高壓線處。
2傳感器的改進
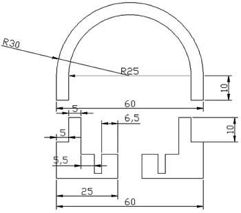
傳感器用于讀取電場信號,是整個設備的信號源。前文中傳感器在雨天信號弱,其原因在于雨水,本文將傳感器外殼進行改進,采用半球形光滑外殼,其剖面圖如圖1所示。圖中上半部分為半球形頂蓋,外表光滑,易于雨水滑落。下半部分為底座,底座中間有一直徑為1cm的通孔,傳感器信號線從中引出。通孔兩側各有一個直徑為5mm暗孔,用于固定傳感器。頂蓋與底座扣合后即可很好地保護傳感器,同時雨水可以從頂蓋滑落,不會在頂部形成水膜,從而影響傳感器信號。
[page]
另外,從傳感器中引出兩條地線,一條用于信號地線,另外一條作為電路中指示燈和控制傳送計算機信號的繼電器的地線。此地線用來探測信號線是否完好。若信號線斷開,則此線亦斷開,那么指示燈無地線,不能發光,計算機傳送信號線也斷開,即有電和無電指示燈均熄滅,傳送電腦的有電和無電信號也同時斷掉,不會發出錯誤信號,提高了系統的可靠性,避免信號線斷開時發出錯誤的無電信號,造成事故。

圖1傳感器外殼
3電路結構的改進
電路結構的改進也是為了提高系統的可靠性,避免發錯錯誤信號。前文中采用了一路信號處理電路工作,倘若該電路長時間工作因為元件老化等原因出現故障,發出錯誤信號,尤其是把有電信號錯誤地發送為無電信號則會釀成不可估量的后果。因此,本文將信號處理電路改為雙路交叉運行。兩路信號處理電路完全一致,在最后發送信號到指示燈和計算機前進行交叉校驗,即只有兩路信號同時發出有電(無電)時才能把有電(無電)信號發送到指示燈和計算機,若兩路最后發出的信號不一致,則最終信號會被截止掉,無法發送到指示燈和計算機,此時即可判斷驗電器出故障,提高警惕,采取相應措施,避免事故的發生。

圖2信號傳送
4送往計算機信號的改進
前文中信號是通過驗電器裝置發送到計算機,此時就遇到一個共地線問題,要讓計算機正確地識別驗電器傳送過來的信號就必須使計算機和驗電器共一個地線,否則,會因傳送線路過長不共地線而導致計算機識別信號出錯。本文改變信號傳送方式,如圖2所示,由計算機發送信號,驗電器內部通過繼電器開關來控制有電或無電線路的導通或斷開,計算機接收由自己發送的經過繼電器開關送來的兩路信號,若有電線路送來高電平信號,則無電線路送來低電平,此時高壓線有電;若無電線路送來高電平信號,則有電線路送來低電平,高壓線無電,若兩路線路都送來高電平信號或低電平信號則電路出錯。
改進后的驗電器裝置其信號的穩定性較之改進之前有了很大的提高,信號波動幅度明顯減小。另外,雙路交叉電路的使用是驗電器系統可靠性得到較大的提高。最后,太陽能電池引入使得驗電器不再需要220V市電供電,讓驗電器徹底擺脫了使用場地的束縛,提高了其市場價值。



