- 變壓器中的分布電容組成
- 變壓器中的干擾屏蔽
- 降低干擾源的強度
- 增強被驅動的MOS管的抗干擾能力
- 阻隔干擾的通路
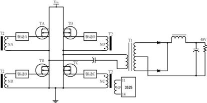
實際電路都是由非理想元件組成的,在設計中可能會遇到許多預料不到的情況。在調試如圖1所示的普通全橋電源時,輸出不是料想中平穩的波形,而是不時發生間歇振蕩,并發出“吱吱”聲,有時甚至會燒毀開關管。對電路進行分析后未發現結構上可能導致不穩定的因素,于是改變輸出采樣的電壓比,將輸出調定在半電壓24V上,使用90V的輸入直流電壓,在保證功率管安全的情況下進行調試。待電路工作正常后,再緩慢升高輸入直流電壓,經過多次試驗,發現當Ui為180~250V時就可能引發振蕩,最后判定是驅動變壓器各個繞組之間的分布電容在搗亂。


解決電磁干擾一般有三種途徑,一是降低干擾源的強度,二是增強被驅動的MOS管的抗干擾能力,三是阻隔干擾的通路。在本例中,干擾源就是變壓器要傳遞的脈沖,這是無法降低的。給驅動加上負壓,可以大大增強MOS管的抗干擾能力,這種方法為許多電源所采用。本例采用第三種方法,即在驅動變壓器的各繞組間加繞屏蔽層,其結構如圖3所示,共5個繞組和5個屏蔽層。
整個變壓器包括屏蔽層從左向右逐層繞制,N1接到控制回路的地;兩個下管驅動繞組由于電位變化不大,同時與N2連接,實際上是接到了功率地;N3和N4將上管繞組NA包了起來,并與NA的異名端相接;N5將繞組ND與NA隔離。這樣每個繞組都和它的屏蔽層同電位,它們之間不會有容性電流。當上管TA導通、上管繞組NA的電位跳升時,屏蔽層N3和N4的電位也要同樣跳變,由于N2和N3之間的分布電容,這個跳變將在這兩個屏蔽層中間產生電流,但對管子的驅動沒有影響,只是會耗損一點主功率。在實際電路中采用了加電磁屏蔽的驅動變壓器之后,問題得到了全部解決。

當NA輸出正脈沖的上升沿時,TA迅速導通,M點電位跳升,于是C6、C7中要有容性電流產生。M是低阻抗點,電流iC7對它的電位影響不大,但N點卻是高阻抗點,iC6電流將瞬間降低它的電位,可能使TA管瞬間關斷。因此不能采用這種連接方式。屏蔽層N3、N4如改與NA的同名端相接,效果也不好。






