【導讀】大家學習電子都會接觸運算放大器,常常聽到虛短虛斷一說。虛短虛斷是解開負反饋運放電路的核心方法,具體就要從運放的原理開始說起了。
模電的半壁江山——運算放大器的原理和應用
大家學習電子都會接觸運算放大器,常常聽到虛短虛斷一說。虛短虛斷是解開負反饋運放電路的核心方法,具體就要從運放的原理開始說起了。
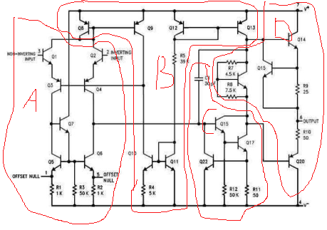
LM741原理圖
拿LM741為例子。可以將內部電路圖分為A,B,C,D四個部分。A是差分輸入級。差分輸入有同相輸入和反相輸入兩個輸入端。主要作用是在放大差模信號型號的同時抑制共模信號,比如抑制溫度造成的零漂等,保證靜態工作點的穩定,然后將放大后的信號送入C,中間放大級,將信號實現進一步的放大。最后通過D,甲乙類推挽輸出輸出信號,保證輸出信號的功率。B部分是電流源偏置,為芯片中的工作電路提供穩定的工作電流。
運放進行封裝
將該電路封裝之后就剩兩個輸入端和輸出端。在原理圖中兩級的放大電路,所以運放的一個特點是放大倍數理想下無限大,實際可以達到10000倍以上;運放引入了鏡像恒流源,使輸入電阻接近于無窮大。所以先抓住運放的兩個特點:輸入電阻極大,放大倍數極大,理想狀態都是無窮大。
然后引出輸出電壓計算。U0=U+-U-,即,輸出電壓=(同相輸入電壓-反相輸入電壓)*放大倍數。所以要是直接將該器件不引人,負反饋,因為放大倍數有10000以上,則只要同相和反相存在一定差值,比如0.001V,那么放大后的輸出的就可以10V以上,一般直接就是電源電壓了。
開環的運放
這樣的開環電路可以作為比較器。將反相輸入作為參考電壓,則將同相最為一個輸入端。如果同相輸入電壓比反相輸入大,則輸出為正,否則就是輸出負電壓。要是在輸出端,接入穩壓管,則可以輸出固定電壓。
引入穩壓二極管
另一個重要的應用就是用在放大。如上所說,要是直接這樣連接,無法放大我們想要放大的倍數。所以在這里引入負反饋。反饋就是將輸出引入輸入,在兩者之間形成關系,負反饋則是建立的聯系效果減弱了原先要改變方向的能力。比如我一開始向前走10步,引入反饋后我依舊往前走,但走了2步,向前走的步數減少了;要是走了20步,這就是正反饋,正反饋在正弦波發生電路應用較大。
負反饋的引入
然后就是虛短,虛斷的引入。在引入負反饋后,輸出穩定在某個值,比如2V,這時候我們反推,此時的同相和反相的電壓差值就是2/10000,這時候兩者的壓差基本可以忽略不計了,即此時的U+=U-。在深度負反饋下同相電壓等于反相電壓,就是虛短。由于輸入電阻無窮大,所以輸入到運放的電流就是U/R,R是無窮大,則輸入電流為0,即I+=I-=0A,就是虛斷。虛短和虛短在搭建放大電路時計算參數十分方便的。如上圖的同相放大器,根據虛短,U-=U+=U;再根據虛斷,沒有電流通過反相輸入端流入運放,則可以列出方程(0-U)/R1=(U-U0)/R2,就可以算出該電路的放大倍數。
同相負反饋電路
再如上圖,根據虛短U+=U-=0,根據虛斷(U-0)/R2=(0-U0)/R3,帶入可以算出U0=-U,即輸出電壓是輸入電壓的負數,我們可以根據這個原理搭建自己需要的電路,實現加減運算,通過電容實現積分或者微分電路,根據二極管或者三極管,實現指數或者對數運算。
免責聲明:本文為轉載文章,轉載此文目的在于傳遞更多信息,版權歸原作者所有。本文所用視頻、圖片、文字如涉及作品版權問題,請聯系小編進行處理。
推薦閱讀:


