【導讀】放大器的失調電壓是工程師在直流耦合電路設計中,評估頻次極高的參數,本篇通過一個案例介紹失調電壓的影響方式,以及探討產生原因。
放大器的失調電壓是工程師在直流耦合電路設計中,評估頻次極高的參數,本篇通過一個案例介紹失調電壓的影響方式,以及探討產生原因。
01 由失調電壓導致故障的一則案例
2019 年 8 月 11 日(星期日)晚,筆者接到負責電源領域同事的信息,一家上市公司在汽車電子領域首款產品的小批量生產測試中出現異常,其中使用 ADI 放大器設計的電路發生“失效”問題,急需申請失效分析。8 月 12 日上午現場拜訪該企業,工程師講述電路設計不存在問題,并且通過 ADI 官方指定渠道購買 15 片 ADA4851-1,其中 2 片芯片所在的板卡出現“失效”,將“失效”板卡中 ADA4851-1 芯片與正常工作板卡的 ADA4851-1 芯片進行互換,“失效”現象跟隨“異常芯片”繼續復現,因此要求進行失效分析。
面對上述問題的現象描述,筆者無法定位問題的根源。與項目組負責人詳細了解電路圖和測試過程。如圖 2.7,使用 ADA4851-1 組建差動放大電路,電路由+5V 單電源供電,TP1000 網絡由參考電壓源提供。工作中在輸入端 TP1001 網絡與 TP1006 網絡連接到地時,如果 ADA4851-1 的輸出端(TP1011 網絡)電壓超出±38.7mV 時,系統判定電路出現異常并終止工作,上述 2 片“異常芯片”的輸出電壓均超過±38.7mV。

圖 2.7ADA4851-1 應用電路
參考 ADA4851-1 的電氣參數進行分析,如圖 2.8。在 25℃環境中,+5V 供電,電路增益為 1 時,輸入失調電壓的典型值為 0.6mV ,最大值為 3.4mV。

圖 2.8 ADA4851-1 輸入失調電壓
假定圖 2.7 中的比例電阻完全匹配,即 R1000 與 R1010 為 220Ω,R1001 與 R1011 為 12KΩ。該差動放大電路的增益為 54.4 倍。輸入失調電壓經過放大后的輸出應為 32.7mV(典型值)時電路正常工作,但是失調電壓最大值對應的輸出值為 185.5mV,已經超出判定故障的閾值電壓。并且在+5V 電壓供電時,ADA4851-1 失調電壓的分布如圖 2.9,輸入失調電壓為±1mV 的情況出現頻次較高,此時對應的輸出電壓為±54.4mV,同樣超出系統判定的閾值電壓。

圖 2.9 ADA4851-1 輸入失調電壓分布
所以筆者與工程師確認,現有 ADA4851-1 應用電路的輸出電壓折算到輸入端,均在數據手冊參數范圍內,工作不存在失效問題,該電路的軟件判定閾值設計不合理,建議整改辦法包括:
(1)調整判定故障的閾值電壓。
(2)使用低失調電壓的放大器,并類比 ADA4528,在 25℃環境中,+5V 供電時,失調電壓最大值僅為 2.5uV 如圖 2.10。失調電壓的分布更為集中,如圖 2.11。

圖 2.10 ADA4528-1 電調電壓

圖 2.11 ADA4528-1 失調電壓分布
通過該案例可見,失調電壓的存在,導致電路輸出產生直流誤差。
02 失調電壓與漂移定義
如圖 2.12(a)為放大器模型,短路放大器的兩個輸入端(Vp、Vn),如果是理想放大器其輸出電壓 Vo 應為 0V。但是,真實放大器內部處理 Vp 與 Vn 的輸入級存在失配,導致放大器的輸出不為 0V。為了使真實放大器的輸出實現 0V,需要在輸入管腳之間增加適合的校正電壓,稱為失調電壓(Offset voltage,Vos)。
如圖 2.12(b),真實放大器的電壓傳遞曲線(VTC)不會過原點,它向左移還是右移由失配的方向決定。可以理解為在理想或無失調電壓放大器的一個輸入端串聯一個小電壓源 Vos,其電壓傳遞曲線如式 2-1。
為了實現輸出電壓為 0V,需要滿足式 2-2。
所以放大器的兩個輸入端電壓關系是近似相等,即“虛短”原則。Vos 的取值范圍在毫伏到微伏。

圖 2.12 具有失調電壓的放大器模型和電壓傳遞曲線
對于某個放大器的失調電壓是確定值,但是放大器會因為溫度、工作時間變化,使輸入失調電壓產生隨其變化量比值的變化,該比值稱為失調電壓漂移(Offset Voltage Drift)。
(1)變量為溫度,單位是μV/℃,表示輸入失調電壓的變化量與導致該變化的溫度變化量的比值。數據手冊提供的參數為測量溫度范圍內的平均值,符號為ΔVOS/ΔT,或者 dVOS/dT。
考慮溫度漂移的失調電壓,為式 2-3。
如圖 2.2,以 ADA4077-1 SOIC 封裝 B 級芯片為例,在 25℃環境中,供電電壓為±15V,失調電壓最大值為 35μV,失調電壓漂移最大值為 0.25μV/℃。當芯片溫度上升到 75℃時,將參數代入式 2-3 計算失調電壓變化為 47.5μV。

圖 2.2 ADA4077 失調電壓與溫漂
(2)變量為時間,單位是μV/Mo,表示失調電壓每月變化多少微伏。代表放大器在長期工作中失調電壓的穩定性。
如圖 2.18,ADA4077 數據手冊提供實測 10000 小時失調電壓漂移。工程師以此模擬系統長期運行,可以評估在設備長期工作中放大器失調電壓的穩定情況。
失調電壓漂移是放大器電路設計中難以處理的參數,因為它的存在隨時會產生新的失調電壓,所以常見的處理方法是使用失調電壓漂移參數小的放大器。

圖 2.18 ADA4077 實測 10000 小時的失調電壓長期漂移
03 失調電壓產生原因
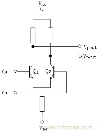
(1)輸入級的制造工藝
放大器輸入失調電壓的產生,主要由于輸入級對稱三極管晶圓的不匹配所導致。如圖 2.13,三極管(Q1,Q2)的匹配度,在一定范圍內和晶圓面積的平方根成正比,就是說匹配度提高到原來的兩倍,晶圓面積就是原來的四倍。當達到一定水平后,增加晶圓面積也不能改善輸入失調電壓,另外增加面積會直接增加芯片的制造成本。所以,常用的方法是在放大器生產后再進行測試與校準,或者在輸出級使用斬波等技術改善放大器的失調電壓。

圖 2.13 放大器輸入級電路
如表 2.1 為 ADI 不同種類放大器的失調電壓范圍,及代表型號。

表 2.1 多類放大器的失調電壓范圍和代表型號
(2)芯片封裝技術
放大器的封裝類型,通常包括 SOIC、MSOP、LFCSP、SOT-23 幾種,大多數放大器的封裝不會影響失調電壓。如圖 2.14 所示 ADA4528-1 有 MSOP、LFCSP 封裝兩種,失調電壓的典型值,最大值、最小值沒有因為封裝而不同,如圖 2.10。

圖 2.14 ADA4528-1 封裝示意圖
但是少數放大器的封裝技術會影響放大器的失調電壓。如圖 2.2,ADA4077-2 A 級的 MSOP 封裝芯片的失調電壓最大值為 90μV,典型值為 50μV。同等條件下 SOIC 封裝的 ADA4077-2 A 級芯片的失調電壓最大值為 50μV,典型值為 15μV。兩種封裝失調電壓的分布也存在明顯區別,其中 SOIC 封裝的失調電壓分布相對集中,如圖 2.15。

圖 2.15 ADA4077-2MSOP 與 SOIC 封裝的失調電壓分布
注:芯片規格書中常見 A 級、B 級產品,在生產的原材料,制造過程完全一致,區別在封裝測試完成以后,將個別較好的參數進行標記。
綜上,由于半導體工藝所導致失調電壓是構成電路直流誤差的重要影響因素之一。在穩定的環境中,由失調電壓導致的直流誤差可以進行校準,但是失調電壓漂移所產生影響無法過校準完全消除。
免責聲明:本文為轉載文章,轉載此文目的在于傳遞更多信息,版權歸原作者所有。本文所用視頻、圖片、文字如涉及作品版權問題,請電話或者郵箱聯系小編進行侵刪。






