中心議題:
- 多路輸出電源保護
- CCFL逆光保護
- LED逆光保護
- 對I/O端口的過電流和過電壓保護
解決方案:
- 開關式電源的典型的電路保護設計方案
- 采用慢熔貼片保險絲和PolySwitch元件
先進的LCD 科技產生了更大的屏幕,更寬的可視角度,以及更高質量的視頻圖像。然而,當LCD 電視的屏幕變得更大更亮的時候,它們需要更多的能量來運行,這就增加了對更強勁更可靠的電路保護技術的需求。
有很多的電路保護元件可以用來幫助保護LCD屏幕,以避免由電流太大或者電壓瞬變引起的破壞。對電流過大的保護可以是使用保險絲或者自復式PTTC(聚合正溫度系數)元件的形式。決定到底是使用PTTC元件還是使用一次性的保險絲取決于LCD 的設計,該設備可能接觸到的危險的類別,以及相關的安全要求。
PTTC元件通常被運用于啟動時有高瞬間起峰電流的電路。PTTC元件能適應瞬間起峰電流,可幫助降低保險絲燒斷的損害。保險絲很合適于那些不希望自恢復的電路設計中,或者適于只有在系統失敗的情況下才會發生故障的電路中。當用軟啟動的電路來限制瞬間起峰電流時,它們也是一個可行的解決辦法。泰科電子提供了小尺寸的PTTC元件以及一次性的貼片保險絲,以給設計者們提供一系列的過流保護方案。泰科電子還為各種各樣的LCD電視運用提供了如下所述的范圍很廣的過壓以及ESD(靜電放電)抑制元件。
多路輸出電源保護
切換式電源(SMPS)為消費類電子產品提供了所需的大小、重量以及省電的優點,并且在包括LCD電視.在內的很多的應用中持續取代著線性調節器。然而,由于SMPS缺少前期設計中的固有阻抗,它們往往需要更強勁的電路保護。
PolySwitch徑向引線型過流電量保護元件可以幫助制造商滿足對于SMPS的UL60950-1/LPS(有限能源)的要求,并幫助提高設備的安全性和可靠性。
PolySwitch 元件在正常的運行電流下具有較低的阻抗值。在過流情況下,該元件“跳”到一種高阻抗性的狀態。所增加的阻抗性通過將在故障的情況下流動的電流量降低至一個低的、平穩的水平,從而幫助保護電路中的設備。該元件會保留在其鎖定位置直到故障被清除。一旦電源開始在電路中運行,PolySwitch元件將復位,并讓電流流動重新開始,使電路恢復至正常狀況。
雖然PolySwitch元件不能防止故障的發生,但是它們反應迅速,將電流限制在一個安全的水平以防止間接傷害到后級元件。此外,PolySwitch 元件的小尺寸讓它們在受空間限制的應用中使用更容易。
如圖1所示,PolySwitch LVR元件可以同電源輸入串聯安裝,以幫助避免由短路,超載電路或者用戶濫用所造成的破壞。此外,橫置于輸入端的金屬氧化物變阻器(MOV)幫助在LED模型中提供過壓保護。
PolySwitch LVR元件也有可能在MOV之后放置。許多的設備生產商喜歡結合了具有上游自動故障保護的自復式PolySwitch元件的保護電路。在這個例子中R1是一個同保護電路一起使用的穩流電阻器。

圖1. 開關式電源的典型的電路保護設計
CCFL逆光保護
冷陰極熒光燈(CCFLs)為LCD顯示器提供了高效的逆光。該燈在高電壓AC電源下運行,需要有效的、高電壓DC/AC換流器。如圖2所示, 電源是從5V 和12V的總線中得到的。LCD控制器本身和周圍的邏輯控制器是從5V 的總線中得到電源的。LCD換流器以及電路板上其它的電子元器件是從12V 的總線中得到電源的。
[page]
錯誤的連接以及錯誤的處置會引起系統的大的超載以及短路。此外,電路板上的部件故障可以引起致命性的后果。用保險絲或者PolySwitch元件將至關重要的電路隔離可以在此類故障中防止部件損壞,并幫助生產商達到UL限制電流的要求。
許多換流器結合“軟啟動”電路以限制瞬間起峰電流,但是隨著換流器老化,軟啟動電流可能會隨著時間而有所增加。這就增加了瞬間起峰電流,而且如果沒有足夠的保護的話,可能會造成對主要電源的破壞或者惡化。
泰科電子的慢熔式表面安裝貼片保險絲幫助在正常運行中有大的且頻繁的突波電流的系統提供過流保護。小波形系數的保險絲增強了電子系統的可靠性,并且在脈沖和高瞬間起峰電流的情況下采用幫助防止障礙啟動的時間延遲設計,使其沒有影響到對高電流故障情況的保護。

圖2. 慢熔貼片保險絲和PolySwitch元件幫助在CCFL逆光應用中提供過流保護
LED逆光保護
LED逆光增強了視覺感受,提供了更靈活的逆光結構,并且使得比傳統的冷陰極熒光燈(CCFL)技術更薄的顯示器設計成為可能。其它的好處包括:更高效,降低了能量消耗,更長的使用壽命,增強了耐用性,以及使屏幕有更高清晰度的更好的對比率。
LED需要精確的電源和熱量管理系統,這是因為大多數提供給LED的電源都轉換成了熱量而不是光。如果沒有足夠的熱量控制,那么熱量將對LED的壽命和色彩輸出都產生負面影響。
電源線耦合電壓瞬變和浪涌也可以降低LED的預期使用壽命,許多的LED驅動器容易受到不合適的DC電壓水平和極性的破壞。LED驅動器的輸出也可能被短路破壞或者摧毀。大多數LCD電視應用的LED驅動器包括內置安全裝置,包括熱關閉以及開路、短路LCD檢測。然而,可能還需要另外的過流保護元件以幫助保護集成電路(IC)以及其它敏感的電子元件。PolySwitch元件也可以被用來幫助防止當監測器的冷卻口被堵塞時可能發生的熱失控情況。由于其具有對溫度過高的情況有檢測和反應的能力,一個安裝合適的PolySwitch元件可以在LCD沒有足夠電壓運行的情況下中斷電流。
圖3顯示了在LCD電視監測器中PolySwitch元件可以安放的位置,以幫助提供過電流保護。為了充分發揮PolySwitch元件的影響,可以將其和金屬芯電路板或者LCD散熱片熱結合在一起。如果LCD沒有內置的ESD保護,可以向ESD并聯一個PESD保護元件,以幫助避免由ESD電壓浪涌造成的破壞。

圖3. LED逆光的過電流保護圖解
對I/O端口的過電流和過電壓保護
I/O端口的保護幫助使器件免于受短路的破壞,并且提高了可靠性和消費者安全性。為了達到管理機構的要求,I/O端口必須在過載或者短路電路中提供一種中斷或者限制電流的方法。
隨著數據速率的增加以及電路系統變得更小、更敏感,防止由電路瞬變引起的對設備的破壞變得更加至關重要。HDMI、USB 以及DisplayPort的技術規格要求易于終端用戶使用,對電源連接器實施過電流保護。過電流保護元件必須是自復式的,沒有使用者的機械的干擾,并且它的預設的跳閘電流必須要高于允許的瞬變電流,以避免錯誤的跳閘。
PolySwitch元件已經展示了其在多種高速的界面應用中的有效性。正如傳統的保險絲,當規定的極限值被超過之后它們會限制電流。然而,不像保險絲那樣,PolySwitch元件具有在故障排除并且電源接通之后重新復位的能力。它們的低阻抗性,快速的動作時間,以及小波形因數使得它們成為許多電源總線構架所偏愛的過電流保護方法。
電源端口也容易受破壞性的過電壓瞬變的影響。包括ESD脈沖。圖4顯示了一個運用PolySwitch元件來進行過電流保護,并運用PESD元件和多層變電阻(MLV)來幫助避免由過電壓情況所引起破壞的典型的電路保護設計。[page]

圖4. 典型的運用MLV元件, PESD抑制元件以及PolySwitch過電流保護元件的顯示端口電路保護設計
MLV提供了低電容的分路保護并且提供了LCD電視應用的高電流處理和能量吸收的過電壓保護。PESD組件被安裝在數據線上以幫助ESD避開敏感的電路系統。PESD的低電容幫助阻止高數據速率信號的降低。
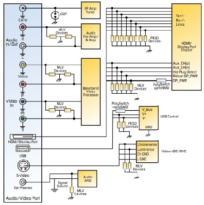
正如圖5中所顯示的,LCD電視具有一系列的附件端口,包括但是不局限于:VGA, DVI, S-Video,復合視頻以及音頻輸入/輸出端口。

圖5. LCD電視附件端口的電流保護建議
這個圖表顯示了泰科電子的氣體排放管(GDT) MLV、PESD 以及PolySwitch元件可以被運用于相關的電路保護解決方案中。
LCD電視上的VGA端口起到從一個計算機視頻卡有效連接的作用。ESD或者電纜脫落情況可以引起VGA端點的故障。IEC 61000-4-2要求在這里是可行的,并且諸如PESD 和3pF MLV
元件(圖片6)的低電容保護元件可以幫助制造商服從標準。要注意這里信號線電壓是RGB信號線上的-1Vp-p,并且對于控制線為小于等于5Vp-p。

圖6. 低電容值MLV和PESD元件幫助保護VGA端口
[page]
盡可能與芯片組的I/O和Vcc 插腳近距離地運用保護元件的做法總是好的,因為電路板軌跡線可能更容易受所進行的瞬變的影響。好的接地做法與強勁的電路保護設備可以增強瞬變保護,幫助降低維修回收和修補費用,并且可以促進對應用標準的遵守。
元器件建議
對LCD電視的界面的故障保護有明確地要求,包括有涉及各種故障保護需求的具體的標準。圖片7總結了這些標準以及對每一種端口類型所建議的電路保護設備。

圖7. 對LCD電視端口保護的元件建議



