【導讀】在模擬通信與射頻實驗教學中,理解信號調制原理是掌握現代通信系統的關鍵一步。其中,平衡調制器作為一種高效電路,其核心功能是產生抑制載波的雙邊帶(DSBSC)信號——即在輸出中巧妙移除射頻載波分量,僅保留攜帶信息的和頻與差頻分量。這種調制方式在保留全部信息的前提下,顯著降低了傳輸功耗,是深入理解頻譜效率與調制解調技術的經典實踐課題。本次ADALM2000實驗活動將以經典的二極管環形調制器為實踐對象,引導學習者親手搭建電路,觀察并分析DSBSC信號的生成與特性,從而深化對調制理論的認識。
目標
本次實驗旨在幫助了解二極管環形調制器的工作原理,探討它的典型應用,并掌握生成雙邊帶抑制載波(DSBSC)信號的基本方法。
材料
? ADALM2000主動學習模塊
? 無焊試驗板
? 四個100 Ω電阻
? 兩個1 kΩ電阻
? 四個1N914二極管
? 兩個三線并繞變壓器(如有)
背景知識
在模擬通信與射頻實驗教學中,理解信號調制原理是掌握現代通信系統的關鍵一步。其中,平衡調制器作為一種高效電路,其核心功能是產生抑制載波的雙邊帶(DSBSC)信號——即在輸出中巧妙移除射頻載波分量,僅保留攜帶信息的和頻與差頻分量。這種調制方式在保留全部信息的前提下,顯著降低了傳輸功耗,是深入理解頻譜效率與調制解調技術的經典實踐課題。本次ADALM2000實驗活動將以經典的二極管環形調制器為實踐對象,引導學習者親手搭建電路,觀察并分析DSBSC信號的生成與特性,從而深化對調制理論的認識。
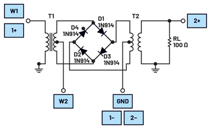
最常見的平衡調制器之一是二極管環形調制器,也稱為格型調制器。它由四個最初呈環形排列的二極管(因此得名)及輸入和輸出變壓器組成。調制器有兩個輸入:一個單頻載波和一個調制信號,后者可以是單頻或復雜波形。載波施加于輸入和輸出變壓器的中心抽頭,調制信號施加于輸入變壓器的初級。然而,輸出在輸出變壓器的次級端被測量。圖1顯示了兩種不同電路方向的二極管環形調制器。

圖1.二極管環形調制器
二極管環形調制器是電子通信中使用最廣泛的電路之一。除了生成DSBSC信號外,它還用于頻率和相位調制系統及數字調制系統,例如PSK和QAM。
環形調制器中二極管的方向不得與二極管橋式整流器的方向混淆。它們可能呈現類似的環形,但環形調制器的所有二極管都朝順時針或逆時針方向,而橋式整流器的二極管則朝左或右。
工作原理
二極管環形調制器中使用的二極管可以是硅二極管、硅肖特基勢壘二極管或砷化鎵二極管。這些二極管用作開關,控制輸入信號是否以180°相位反轉的方式通過。載波信號以高速率控制二極管的通斷。務必明白,為使調制器正常工作,載波的幅度必須顯著大于調制信號的幅度,通常需要高出約六到七倍。

圖2.正半周操作
在正半周期間,D1和D2正偏導通,而D3和D4反偏開路。載波電流在輸入變壓器的次級中心抽頭處均勻分配,并沿相反方向通過繞組的上半部分和下半部分。上部和下部的電流各自產生一個大小相等但方向相反的磁場。因此,所產生的磁場相互抵消,載波被抑制。結果,調制信號從輸入變壓器通過D1和D2傳送到輸出變壓器,相位不反轉。圖2顯示了調制器的正半周操作。

圖3.負半周操作
圖3展示了二極管環形調制器的負半周操作。二極管D1和D2反偏關斷,而D3和D4正偏導通。同樣的現象再次出現在載波電流上。它在輸出變壓器的初級均勻分配,兩個電流產生大小相等但方向相反的磁場。這兩個電流在輸入變壓器的次級合并,磁場相互抵消,載波被抑制。調制信號通過輸入變壓器并發生180°相位反轉,然后到達輸出變壓器。
圖4以時序圖的形式顯示了二極管環形調制器的波形。

圖4.二極管環形調制器波形:(a)調制信號,(b)載波信號,(c)輸出變壓器初級處的DSBSC信號,(d)濾波后的DSBSC波形。
在二極管環形調制器的輸出波形中,載波信號被抑制,輸出由輸入頻率的和頻與差頻組成。這些RF脈沖以載波信號的頻率為周期,復現調制信號的形狀和幅度。理想情況下,載波信號會被完全抑制。但實際上,這種情況不會真正發生。輸出信號總是會伴隨一個小的載波分量,這被稱為載波泄漏。這種現象由幾個原因引起:其一,變壓器的中心抽頭位置不夠精確;其二,二極管未完全匹配。
硬件設置

圖5.二極管環形調制器試驗板電路
在無焊試驗板上構建圖5所示的電路。使用1N914快速開關二極管搭建二極管環路。將W1設置為1 kHz正弦調制信號,其峰峰值幅度為1 V,將W2設置為10 kHz正弦載波,其峰峰值幅度為3 V。輸入和輸出變壓器需要1:2的匝數比。您可以嘗試其他變壓器匝數比,并將輸出結果加以比較。本實驗需要一個采用HP3、HP4、HP5或HP6繞組布局的Hexa-Path Magnetics變壓器。如果沒有,您可以使用LTspice?仿真繼續實驗。
程序步驟
觀察電路的輸出波形。它應該類似于圖6所示的仿真波形。

圖6.DSBSC波形
問題
1. 改變輸入和輸出變壓器的匝數比。觀察并比較輸出波形。
2. 將電路中W1和W2的位置互換。將其與原始輸出波形進行比較。輸出波形發生了什么變化?
簡化二極管環形調制器

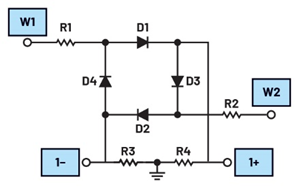
圖7.簡化的無變壓器二極管環形調制器
如圖7所示,我們可以從傳統二極管環形調制器中去掉變壓器,從而簡化設計。通過使用ADALM2000和兩個低阻值輸入電阻R1和R2(從而無需輸入變壓器),將載波和調制信號的和頻與差頻送入二極管環的兩個相對結點。輸出可以在高阻值輸出電阻R3和R4兩端測量。這些電阻取代輸出變壓器。

圖8.簡化的無變壓器二極管環形調制器的試驗板連接
硬件設置
這種無變壓器版本的二極管環形調制器很容易通過ADALM2000的信號發生器驅動:在一個結點提供載波與調制信號的和頻,在另一個結點提供差頻。設置試驗板,將第一個波形發生器W1的輸出連接到R1的另一端,第二個波形發生器W2的輸出連接到R2的另一端。示波器輸入1+連接到D1、D3和R4的結點。示波器輸入1-連接到鏈接D2、D4和R3的節點。最后,將R3和R4之間的節點連接到地。連接參見圖8。
程序步驟
本實驗將使用波形公式為fc = 3sin(10kt)的載波和公式為fm = 0.5sin(1kt)的調制信號。最初,這兩個波形相乘,輸出信號是兩者的乘積。其中包含上邊帶頻率fusf和下邊帶頻率flsf。具體的定義為:
fusf = fc + fm flsf = fc – fm,其中:
? fc = 載波信號
? fm = 調制信號
對于這種簡化方法,我們直接將邊帶饋送到輸入端。注意載波和調制信號:對于上邊帶,有f(t) = 3sin(10kt) + 0.5sin(1kt);對于下邊帶,有f(t) = 3sin(10kt)–0.5sin(1kt)。
在信號發生器中:對于W1 (Ch1),設置公式f(t) = (3 × sin(10×t)) + (0.5 × sin(t)),頻率為1 kHz;對于W2,設置f(t) = (3 × sin(10×t))–(0.5 × sin(t)),頻率同樣為1 kHz。在示波器中,水平軸設置為200 μs/div,垂直軸設置為500 mV/div。運行信號發生器和示波器,觀察波形。結果應該與圖9中的波形相似。

圖9.簡化的無變壓器二極管環形調制器
推薦閱讀:
單芯片干翻傳統方案!兩相升壓轉換器如何將低壓大功率密度拉滿?
CES 2026現場直擊:XMOS新一代DSP亮相CES,多款終端產品落地開花





