- 開關種類與電氣特性
- 電壓、電磁對開關的干擾
- 采用沒有鍍錫的銅線連接開關卡
- 采用低溫度漂移的閂鎖繼電器
中等大小電壓的開關
中等大小電壓應用(1V到200V)通常要把一個伏特計或電壓源切換到多個器件,例如測試電池、電化電池、電路配件、熱電偶等。切換多個電源和切換多個負載各自分別存在相應的問題。
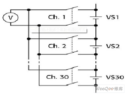
一個伏特計到多個串聯電源的開關
圖1給出了切換伏特計到多個串聯的30電壓源(VS)的情形。為了避免其中一個或多個發生短路,必須在關閉一個通道之前打開另一個通道(操作前斷開)。此外,要給每個電壓源串聯熔絲,避免超過卡的共模額定電壓。在這個例子中,每個電源都是12V,整個串聯電源的總電壓為360V。最好采用至少500V的通道-通道額定電壓和共模額定電壓。

圖1.一個伏特計到多個串聯電源的開關
一個電壓源到多個負載的開關
圖2給出了單個電壓源連接多個負載的情形。如果兩個或多個負載連接電源,那么由于流過公共阻抗(R)(例如測試引線和線路電阻)的電流影響,每個負載上的電壓可能會小于期望值。隨著額外負載的接入,總電流將會增大,從而提高了公共阻抗(R)上的電壓降。

圖2.一個電壓源到多個負載的開關
開關電阻
當把一個電壓源切換到多個器件時,可能必須對開關電阻產生的電壓降進行補償。特別地,如果器件具有較低的電阻,流過開關的電流可能會產生較大的電壓降。在遠程檢測中,負載上跨接了外部檢測電路,這種方式有助于校正開關和布線上的所有電壓降。
低壓開關
當開關控制的信號電平為毫伏甚至更低時,采用特殊的技術有助于防止電壓誤差。這些誤差可能來自于卡上或者連接線中的熱電偏移電壓、開關膜污染、磁場干擾或接地環路。
熱電偏移電壓
低電壓卡的一項關鍵指標是它的接觸電位,即熱電偏移電壓。熱電電壓是不同金屬構成的結點上的溫度差產生的電壓,例如鎳鐵笛簧繼電器與它們連接的銅導體之間。這種溫度梯度主要由激勵線圈的功耗引起的。這一偏移電壓直接疊加到信號電壓上,可以建模為一個不需要的電壓源與目標信號串聯。偏移電壓會給待測器件(DUT)所施加的激勵或伏特計測量的結果造成誤差。
多種因素都會影響熱電電壓導致的卡的漂移電平,包括所采用的繼電器類型(笛簧式、固態式或機電式)、線圈驅動技術(閂鎖或非閂鎖)以及用于觸點電鍍的材料(例如,鎳合金或金)。
在笛簧繼電器通電之后,它線圈上的功耗將使其溫度上升幾分鐘,因此在觸點閉合之后的幾秒鐘內完成低壓測量是非常重要的。如果在閉合之后的幾分鐘時間內進行了很多測量,那么讀數中將會加入不斷增大的熱電電壓。熱時間常數的大小可以從幾秒到幾小時不等。即使固態繼電器沒有線圈損耗,內部IR壓降產生的熱量仍然會產生熱電漂移。閂鎖繼電器采用電流脈沖進行激勵,因此具有很低的熱電漂移。
與開關卡的連接也是一個產生發熱電壓的來源。我們應該盡量采用沒有鍍錫的銅線連接開關卡,并且保持所有引線處于相同的溫度。可以采用一個短路通道構建零基值的方式對偏移電壓進行補償。但是,這種補償方式并不理想,因為由于自熱和環境溫度的變化,偏移電壓會隨著時間發生變化。[page]
在切換低電壓同時又進行低電阻測量時,可以采用偏移補償的方式抵消熱電偏移電壓,這需要利用兩個不同的電流值進行兩次電壓測量。用兩次電壓測量結果的差除以兩次測試電流的差,即可計算機出電阻的值:

開關膜污染
隨著時間的延長,繼電器接觸點的表面會形成一層污染膜,從而增大它的電阻,在低電壓測量或供電情況下這會使得開關電壓變得不穩定。>l00mV的電壓通常不受這種污染的影響。采用固態開關式掃描卡可以防止這一問題。
磁干擾
磁通量的高速變化,例如開關電源或者高電流信號通斷所產生的,會在相鄰的低壓電路中感應出幾個微伏的電壓,造成明顯的誤差。通過將噪聲源與敏感電路盡可能分離開,進行磁場屏蔽,使用帶屏蔽的雙絞線,減少噪聲源和信號導線的有限區域等措施,可以最大限度地減少磁干擾問題。
接地環路
如果兩個接地點之間存在較小的電位差,那么系統的某些敏感部分可能會產生一定的地電流。這種情況只出現在某些開關閉合,進行復雜診斷的情況下。無論什么時候,盡量保持一個系統接地點。如果做不到這一點,可以采用基于光耦合或平衡變壓器的隔離技術,增大兩點之間的有效電阻,將公共地電流降低至可以忽略的水平。
高壓開關
線纜和印制電路板的絕緣電阻測試或者耐壓測試通常都涉及高電壓的開關切換。為了避免損壞開關卡,在開關切換200V以上的電壓時必須十分謹慎,要選擇額定指標符合所需電壓與功率大小的開關卡,例如用于3706型系統開關/萬用表(如圖3所示)的吉時利3720型雙1x30多路復用卡,以及額定指標合適的線纜。如果可行,采用冷開關的方式可以延長繼電器的壽命,增大所容許的電流。

圖3.吉時利3706型系統開關/萬用表
電抗性負載會引起過大的電流和電壓跳變,因此為了防止損壞繼電器和外部電路,容性負載需要采取電流浪涌限制措施,感性負載需要采用電壓箝位措施。
高阻抗電壓開關
高阻抗電壓開關需要用在監測電化學電池、測量半導體電阻率之類的應用中。開關和測量具有高內部阻抗的電壓源會遇到諸如偏移電流、雜散漏流和靜電干擾之類的誤差。采用并聯電容技術可以延長穩定時間。
當選擇開關高阻抗電壓的開關卡時,要確保該卡具有較低的偏移電流。流過高阻抗器件的任何偏移電流都會在器件上產生不需要的電壓,加入電壓測量中。
高阻抗電路對靜電干擾十分敏感,因此DUT和連接線都應該很好地屏蔽以防止噪聲感應。
測試儀器、開關卡、線纜和夾具中的漏電流都會因為降低測量電壓而帶來誤差。因此要選擇具有較高隔離電阻的開關卡,盡量在所有可能的地方使用保護電路,盡可能選擇具有最高絕緣電阻的絕緣體。
響應時間是開關高阻抗電壓信號時比較關注的另外一個關鍵因素。開關和相關線纜中的并聯電阻會引起額外的響應時間。在某些情況下,采用激勵保護電路可以大大消除并聯電容,使得線纜的屏蔽層與其中心導線(或者高阻抗引線)保持幾乎相同的電位。圖4a給出了一種通過開關連接靜電伏特計的高阻抗電壓情形。注意其對階躍函數的緩慢相應。要保護這個信號,可以在靜電計的保護輸出端與卡的屏蔽端之間設置一個連接,如圖4b所示。某些靜電計,例如吉時利的6517B,可以通過開啟內部保護連接功能從內部實現這一連接。開啟這一保護功能有效減少了線纜和開關電容,從而改善了靜電計的響應時間。

圖4a.高阻抗電壓源到靜電計的開關

圖4b.采用激勵保護電路抵消并聯電容
如果保護電壓超過30VDC,那么必須采用基于三軸連接的卡以確保安全性。適用于高阻抗電壓開關的卡包括吉時利面向7000系列開關主機的7158型卡(如圖5所示)和面向6517B靜電計的6522型卡(如圖6所示)。

圖5.吉時利7001型開關主機

圖6.用于吉時利6517B型靜電計/高電阻計的開關卡





