- 放大器偏移的解決方案
- 減小溫度對輸入偏置和輸入漏電流的影響
- 減小PCB板間的漏電流
您是否曾經有過在為您的電路選擇最佳運算放大器上花費了大量時間但最后卻發現廠商基準輸入的失調電壓不對的經歷?要是在您的應用電路中,您發現其10倍于規范怎么辦呢?您是將芯片拿去做故障分析,還是將芯片丟棄并再次查看您的放大器列表呢?作為一種解決方案,我建議您通過重新檢查您放大器的規范來對補償誤差做出解釋。
在跨阻抗放大器、模擬濾波器、采樣保持電路、積分器、電容傳感器或者任何其他您放大器周圍有高阻抗組件的電路中,如果您將放大器作為關鍵組件來使用,那么您可能會發現放大器的輸入偏置電流在您電路的電阻中形成了一個失調電壓誤差。
在雙極放大器年代,術語“輸入偏置電流”是一個準確的描述,而現在也是如此。雙極放大器的輸入偏置電流在放大器的輸入端與NPN或PNP晶體管的基電流相同。雙極放大器輸入偏置電流的幅度范圍從低功耗器件的數毫微安到高功耗器件的數百毫微安。
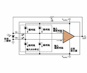
當您研究JFET或者CMOS輸入放大器時,術語“輸入偏置電流”便失去了它的意義。使用這類放大器,從放大器輸入引腳下拉或者吸取的電流實際上為輸入ESD(靜電放電)單元(請參見圖1)的漏電流。

圖1輸入偏置或漏電流產生Rp上電壓降
對于這種電流誤差更加準確的描述應為“輸入漏電流”。JFET或CMOS放大器的漏電流量在25°C條件下低于1pA。這一規范與共模電壓和幅度放大器功率無關。幾乎所有的放大器都具有ESD單元,用于ESD事件保護,但是您在雙極放大器中絕不會看到ESD漏電流。輸入偏置電流超過ESD單元的幾微安漏電流。
輸入偏置和輸入漏電流會隨溫度而變化。然而,根據不同的運算放大器設計,雙極輸入偏置電流可以非常穩定。但是,JFET和CMOS輸入放大器可能并非如此。由于漏電流來自反向偏置ESD二極管,因此溫度每改變10°C漏電流便增加約2倍。
在確保輸入漏電流保持與JFET和CMOS放大器一樣低的過程中,您必須了解您的PCB(印制電路板)對微微安級別電流的影響。例如,少量的灰塵、油或者水分子都會增加漏電流,并冒充輸入偏置電流。但只要您特別小心,便可以構建一款符合1-pA性能規范的PCB。
能夠降低或者最小化輸入偏置或輸入漏電流的最有效方法是檢查您的電路結構。您在檢查電路時,請查看每個節點的電壓特性,并確保您了解您的電路中所有電流通路的影響。



