【導讀】開關模式電源有三種常用電流檢測方法是:使用檢測電阻,使用MOSFET RDS(ON),以及使用電感的直流電阻(DCR)。每種方法都有優點和缺點,選擇檢測方法時應予以考慮。
檢測電阻電流
作為電流檢測元件的檢測電阻,產生的檢測誤差最低(通常在1%和5%之間),溫度系數也非常低,約為100 ppm/°C (0.01%)。在性能方面,它提供精度最高的電源,有助于實現極為精確的電源限流功能,并且在多個電源并聯時,還有利于實現精密均流。

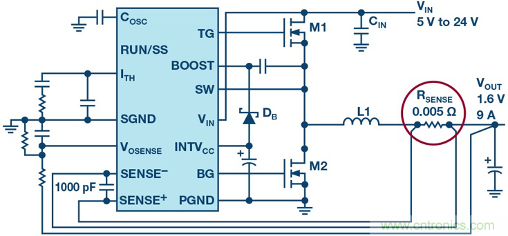
圖1.RSENSE電流檢測
另一方面,因為電源設計中增加了電流檢測電阻,所以電阻也會產生額外的功耗。因此,與其他檢測技術相比,檢測電阻電流監測技術可能有更高的功耗,導致解決方案整體效率有所下降。專用電流檢測電阻也可能增加解決方案成本,雖然一個檢測電阻的成本通常在0.05美元至0.20美元之間。
選擇檢測電阻時不應忽略的另一個參數是其寄生電感(也稱為有效串聯電感或ESL)。檢測電阻可以用一個電阻與一個有限電感串聯來正確模擬。

圖2.RSENSE ESL模型
此電感取決于所選的特定檢測電阻。某些類型的電流檢測電阻,例如金屬板電阻,具有較低的ESL,應優先使用。相比之下,繞線檢測電阻由于其封裝結構而具有較高的ESL,應避免使用。一般來說,ESL效應會隨著電流的增加、檢測信號幅度的減小以及布局不合理而變得更加明顯。電路的總電感還包括由元件引線和其他電路元件引起的寄生電感。電路的總電感也受到布局的影響,因此必須妥善考慮元件的布局,不恰當的布局可能影響穩定性并加劇現有電路設計問題。
檢測電阻ESL的影響可能很輕微,也可能很嚴重。ESL會導致開關柵極驅動器發生明顯振蕩,從而對開關導通產生不利影響。它還會增加電流檢測信號的紋波,導致波形中出現電壓階躍,而不是預期的如圖3所示的鋸齒波形。這會降低電流檢測精度。

圖3.RSENSE ESL可能會對電流檢測產生不利影響。
為使電阻ESL最小,應避免使用具有長環路(如繞線電阻)或長引線(如厚電阻)的檢測電阻。薄型表面貼裝器件是首選,例子包括板結構SMD尺寸0805、1206、2010和2512,更好的選擇包括倒幾何SMD尺寸0612和1225。
基于功率MOSFET的電流檢測
利用MOSFET RDS(ON)進行電流檢測,可以實現簡單且經濟高效的電流檢測。LTC3878是一款采用這種方法的器件。它使用恒定導通時間谷值模式電流檢測架構。頂部開關導通固定的時間,此后底部開關導通,其RDS壓降用于檢測電流谷值或電流下限。

圖4.MOSFET RDS(ON)電流檢測
雖然價格低廉,但這種方法有一些缺點。首先,其精度不高,RDS(ON)值可能在很大的范圍內變化(大約33%或更多)。其溫度系數可能也非常大,在100°C以上時甚至會超過80%。另外,如果使用外部MOSFET,則必須考慮MOSFET寄生封裝電感。這種類型的檢測不建議用于電流非常高的情況,特別是不適合多相電路,此類電路需要良好的相位均流。
電感DCR電流檢測
電感直流電阻電流檢測采用電感繞組的寄生電阻來測量電流,從而無需檢測電阻。這樣可降低元件成本,提高電源效率。與MOSFET RDS(ON)相比,銅線繞組的電感DCR的器件間偏差通常較小,不過仍然會隨溫度而變化。它在低輸出電壓應用中受到青睞,因為檢測電阻上的任何壓降都代表輸出電壓的一個相當大部分。將一個RC網絡與電感和寄生電阻的串聯組合并聯,檢測電壓在電容C1上測量(圖5)。

圖5.電感DCR電流檢測
通過選擇適當的元件(R1 × C1 = L/DCR),電容C1兩端的電壓將與電感電流成正比。為了最大限度地減少測量誤差和噪聲,最好選擇較低的R1值。
電路不直接測量電感電流,因此無法檢測電感飽和。推薦使用軟飽和的電感,如粉芯電感。與同等鐵芯電感相比,此類電感的磁芯損耗通常較高。與RSENSE方法相比,電感DCR檢測不存在檢測電阻的功率損耗,但可能會增加電感的磁芯損耗。
使用RSENSE和DCR兩種檢測方法時,由于檢測信號較小,故均需要開爾文檢測。必須讓開爾文檢測痕跡(圖5中的SENSE+和SENSE-)遠離高噪聲覆銅區和其他信號痕跡,以將噪聲提取降至最低,這點很重要。某些器件(如LTC3855)具有溫度補償DCR檢測功能,可提高整個溫度范圍內的精度。
表1總結了不同類型的電流檢測方法及其優缺點。
表1.電流檢測方法的優缺點

表1中提到的每種方法都為開關模式電源提供額外的保護。取決于設計要求,精度、效率、熱應力、保護和瞬態性能方面的權衡都可能影響選擇過程。電源設計人員需要審慎選擇電流檢測方法和功率電感,并正確設計電流檢測網絡。ADI公司的LTpowerCAD設計工具和LTspice®電路仿真工具等計算機軟件程序,對簡化設計工作并獲得最佳結果會大有幫助。
其他電流檢測方法
還有其他電流檢測方法可供使用。例如,電流檢測互感器常常與隔離電源一起使用,以跨越隔離柵對電流信號信息提供保護。這種方法通常比上述三種技術更昂貴。此外,近年來集成柵極驅動器(DrMOS)和電流檢測的新型功率MOSFET也已出現,但到目前為止,還沒有足夠的數據來推斷DrMOS在檢測信號的精度和質量方面表現如何。
軟件
LTspice
LTspice軟件是一款強大、快速、免費的仿真工具、原理圖采集和波形查看器,具有增強功能和模型,可改善開關穩壓器的仿真。點擊此處下載LTspice。
LTpowerCAD
LTpowerCAD設計工具是一款完整的電源設計工具程序,可顯著簡化電源設計任務。它引導用戶尋找解決方案,選擇功率級元件,提供詳細效率信息,顯示快速環路波特圖穩定性和負載瞬態分析,并可將最終設計導出至LTspice進行仿真。點擊此處下載LTpowerCAD。
作者簡介
Henry Zhang是ADI公司電源產品應用工程總監。他于2001年加入凌力爾特(現為ADI公司一部分),擔任電源應用工程師,開始其職業生涯。他于2004年成為應用部門主管,并于2008年成為應用工程經理。他的團隊支持廣泛的產品和應用,從小尺寸集成功率模塊到大型kW級高功率、高電壓轉換器。除了支持電源應用和新產品開發以外,他的團隊還開發了LTpowerCAD電源設計工具程序。Henry對電源管理解決方案和模擬電路有著廣泛的興趣。他發表了20多篇技術文章,發布了許多研討會和視頻,并有10多項電源專利已獲授權或在申請中。
Henry畢業于弗吉尼亞理工學院和弗吉尼亞州布萊克斯堡州立大學,獲得電氣工程碩士和博士學位。聯系方式:.henry.zhang@analog.com
Kevin Scott是ADI公司電源產品部門的產品營銷經理,負責管理升壓、升降壓和隔離轉換器、LED驅動器和線性穩壓器。他曾擔任高級戰略營銷工程師,負責制定技術培訓內容,培訓銷售工程師,并撰寫了大量關于公司眾多產品技術優勢的網站文章。他在半導體行業已有 26 年從業經驗,歷任應用、業務管理和營銷職務。
Kevin于1987年畢業于美國斯坦福大學,獲得電氣工程學士學位。聯系方式:.kevin.scott@analog.com
推薦閱讀:






