【導讀】多層陶瓷電容器(MLCC)的價格在過去幾年急劇上漲,究其原因,與汽車、工業、數據中心和電信行業使用的電源數量增加有關。陶瓷電容被用在電源輸出端,用于降低輸出紋波,以及控制因為高壓擺率加載瞬變而導致的輸出電壓過沖和欠沖。輸入端則要求陶瓷電容進行解耦和過濾EMI,這是因為在高頻率下,它具備低ESR和低ESL。
為了提高工業和汽車系統的性能,需要將數據處理速度提高幾個等級,并且在微處理器、CPU、片上系統(SoC)、ASIC和FPGA上集成更多耗電器件。這些復雜的器件類型需要多條穩壓電軌:一般是內核0.8 V,DDR3和LPDDR4分別1.2 V和1.1 V,外設和輔助組件分別為5 V、3.3 V和1.8 V。降壓(降壓型)轉換器被廣泛用于調節電池或直流總線提供的電源。
例如,汽車中的高級駕駛員輔助系統(ADAS)產品組合大幅提升了陶瓷電容的使用率。隨著電信行業開始采用5G技術,也需要用到高性能電源,這也會顯著增加陶瓷電容的使用率。內核的電源電流從幾安培增加到幾十安培,且嚴格管控電源紋波、負載瞬變過沖/欠沖和電磁干擾(EMI),這些都需要額外的電容。
例如,汽車中的高級駕駛員輔助系統(ADAS)產品組合大幅提升了陶瓷電容的使用率。隨著電信行業開始采用5G技術,也需要用到高性能電源,這也會顯著增加陶瓷電容的使用率。內核的電源電流從幾安培增加到幾十安培,且嚴格管控電源紋波、負載瞬變過沖/欠沖和電磁干擾(EMI),這些都需要額外的電容。
更高的電源工作(開關)頻率可以降低瞬變對輸出電壓造成的影響,降低電容需求和整體解決方案的尺寸,但是更高的開關頻率往往會導致開關損耗增加,降低整體效率。能否在先進的微處理器、CPU、SoC、ASIC和FPGA需要極高的電流時,避免這種取舍并滿足瞬變要求?
ADI公司的Linear™ 單芯片 Silent Switcher® 2 降壓穩壓器系列幫助實現緊湊的解決方案尺寸、高電流能力和高效率,更重要的是,還具備出色的EMI性能。LTC7151S單芯片降壓穩壓器使用Silent Switcher 2架構來簡化EMI濾波器設計。谷電流模式可以降低輸出電容需求。我們來看看適合SoC的20 V輸入至1 V、15 A輸出解決方案。
面向SoC的20 V輸入、15 A解決方案
圖1所示為適合SoC和CPU功率應用的1 MHz、1.0 V、15 A解決方案,其中輸入一般為12 V或5 V,可能在3.1 V至20 V之間波動。只需要輸入和輸出電容、電感、幾個小型電阻和電容即會組成完整的電源。此電路易于修改,以生成其他輸出電壓,例如1.8 V、1.1 V和0.85 V,一直到0.6 V。輸出電軌的負回流(至 V–引腳)使得其能夠對負載附近的輸出電壓實施遠程反饋檢測,最大限度降低板路徑的壓降導致的反饋誤差。
圖1所示的解決方案使用LTC7151S Silent Switcher 2穩壓器,該穩壓器采用高性能集成式MOSFET,以及28引腳散熱增強型4 mm × 5 mm × 0.74 mm LQFN封裝。通過谷電流模式實施控制。內置保護功能,以最大限度減少外部保護組件的數量。
頂部開關的最短導通時間僅為20 ns(典型值),可以在極高頻率下直接降壓至內核電壓。熱管理功能支持可靠、持續地提供高達15 A的電流、20 V的輸入電壓,無散熱或氣流,因此非常適合電信、工業、交通運輸和汽車應用領域的SOC、FPGA、DSP、GPU和微處理器使用。
LTC7151S具備廣泛的輸入范圍,可以用作一級中間轉換器,支持多個下游負載點或LDO穩壓器在5 V或3.3 V時達到最高15 A。

圖1.適用于SoC和CPU的1 MHz、15 A降壓穩壓器的原理圖和效率。
使用最小的輸出電容,滿足嚴格的瞬變規格
一般來說,會擴大輸出電容,以滿足回路穩定性和負載瞬態響應要求。對于為處理器提供內核電壓的電源,這些要求尤其嚴格,必須出色地控制負載瞬變過沖和欠沖。例如,在負載階躍期間,輸出電容必須介入,立即提供電流來支持負載,直到反饋回路將開關電流增高到足以接管。一般來說,可以通過在輸出端安裝大量多層陶瓷電容來抑制過沖和欠沖,在快速負載瞬變期間滿足電荷存儲要求。
另外,提高開關頻率也可以改善快速回路響應,但這會增大開關損耗。
還有第三種選項:支持谷電流模式控制的穩壓器可以動態改變穩壓器的開關 TON和TOFF時間,以滿足負載瞬變需求。如此,可以大幅降低輸出電容,以滿足快速瞬變時間。圖2所示為LTC7151S Silent Switcher穩壓器立時響應4 A至12 A負載階躍和8 A/µs壓擺率之后的結果。LTC7151S采用受控導通時間(COT)谷電流模式架構,支持開關節點在4 A至12 A負載階躍瞬變期間壓縮脈沖。在上升沿啟動約1 µs之后,輸出電壓開始恢復,過沖和欠沖則限制在46 mV峰峰值。圖2a中所示的3個100 µF陶瓷電容足以滿足典型的瞬變規格要求,如圖2b所示。圖2c顯示負載階躍期間的典型開關波形。

圖2.(a) 這種5 V輸入至1 V輸出的應用在2 MHz下運行,需要最小的輸出電容達到快速地響應(b)負載階躍,以及負載階躍期間的(c)開關波形。
3 MHz高效降壓型穩壓器可用于狹小空間
LTC7151S采用4 mm × 5 mm × 0.74 mm封裝,其中集成了MOSFET、驅動器和熱回路電容。讓這些組件彼此靠近可以降低寄生效應,以便快速開關這些開關,且保持很短的死區時間。開關的反并聯二極管的導通損耗也大大降低。集成式熱回路解耦電容和內置補償電路也可以幫助降低設計復雜性,最大限度減小解決方案的總體尺寸。
如前所述,頂部開關的20 ns(典型)最短間隔允許在高頻率下實現極低的占空比轉換,使得設計人員能夠利用極高頻率操作(例如3 MHz)來降低電感、輸入電容和輸出電容的大小和值。極為緊湊的解決方案適用于空間有限的應用,例如汽車和醫療應用領域的便攜式設備或儀器儀表。使用LTC7151S時,可以不使用大體積散熱組件(例如風扇和散熱器),這是因為LTC7151S支持高性能功率轉換,即使在極高頻率下也是如此。
圖3顯示在3 MHz開關頻率下運行的5 V至1 V解決方案。伊頓提供的小尺寸100 nH電感和3個100 µF/1210陶瓷電容一起,提供適用于FPGA和微處理器應用的纖薄緊湊型解決方案。效率曲線如圖3b所示。在室溫下,全負載范圍內溫度上升約15°C。

圖3.5 V輸入至1 V/15 A,fSW = 3 MHz下的穩壓器原理圖和效率。
Silent Switcher 2技術幫助實現出色的EMI性能
使用15 A應用滿足已經發布的EMI規范(例如CISPR 22/CISPR 32傳導和輻射EMI峰值限值),可能意味著多個迭代板旋轉,涉及在解決方案尺寸、總效率、可靠性和復雜性之間取舍。傳統方法通過減慢開關邊沿和/或降低開關頻率來控制EMI。這兩種方法都會產生不良的影響,例如效率下降,最短接通和關斷時間增加,以及增大解決方案尺寸。復雜、大尺寸的EMI濾波器或金屬屏蔽等強力EMI消除方案在所需的電路板空間、組件和裝配方面增加了大量成本,并使熱管理和測試復雜化。
使用15 A應用滿足已經發布的EMI規范(例如CISPR 22/CISPR 32傳導和輻射EMI峰值限值),可能意味著多個迭代板旋轉,涉及在解決方案尺寸、總效率、可靠性和復雜性之間取舍。傳統方法通過減慢開關邊沿和/或降低開關頻率來控制EMI。這兩種方法都會產生不良的影響,例如效率下降,最短接通和關斷時間增加,以及增大解決方案尺寸。復雜、大尺寸的EMI濾波器或金屬屏蔽等強力EMI消除方案在所需的電路板空間、組件和裝配方面增加了大量成本,并使熱管理和測試復雜化。
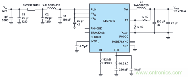
LTC7151S前端采用簡單的EMI濾波器,在EMI測試室中接受測試,通過了CISPR 22/ CISPR 32導通和輻射EMI峰值限值認證。圖4顯示1 MHz、1.2 V/15 A電路的原理圖,圖5顯示吉赫茲橫電磁波(GTEM)電池的輻射EMI CISPR 22的測試結果。

圖4.開關頻率為1 MHz的1.2 V穩壓器的原理圖。

圖5.GTEM中的輻射EMI通過CISPR 22 Class B限值測試。
結論
智能電子、自動化和傳感器在工業和汽車環境中的普及,提高了對電源數量和性能的要求。特別是低EMI,已成為更加重要的關鍵電源參數考量因素,除此以外,還包括小解決方案尺寸、高效率、熱性能、穩健性和易用性等常規要求。
LTC7151S使用ADI公司Power by Linear部的Silent Switcher 2技術,尺寸緊湊,可以滿足嚴格的EMI需求。LTC7151S支持谷電流模式控制和高頻率操作,可以動態變更TON和TOFF時間,幾乎立即主動支持負載瞬變,因此可以使用更小的輸出電容和快速響應。具備集成MOSFET和熱管理性能,可以穩定可靠地從高達20 V的輸入范圍持續提供高達15 A電流。
推薦閱讀:




