【導讀】Power Supply是一種提供電力能源的設備,它可以將一種電力能源形式轉換成另外一種電力能源形式,并能對其進行控制和調節。
什么是Power Supply?

開關電源的元件構成

三種基本的非隔離開關電源

三種基本的隔離開關電源

反激變換器(Flyback)工作原理 (電流連續模式)

反激變換器(Flyback)工作原理 (電流斷續模式)

反激變換器(Flyback)工作原理(1)

反激變換器(Flyback)工作原理(2)

反激變換器(Flyback)工作原理(3)

反激變換器(Flyback)工作原理(4)

反激變換器(Flyback)特征總結

諧振復位正激變換器(Resonant Reset Forward)(1)

諧振復位正激變換器(Resonant Reset Forward)(2)

諧振復位正激變換器(Resonant Reset Forward)(3)

諧振復位正激變換器(Resonant Reset Forward)(4)

諧振復位正激變換器(Resonant Reset Forward)(5)

諧振復位正激變換器(Resonant Reset Forward)特征

有源鉗位正激變換器(Active Clamped Forward)(1)

有源鉗位正激變換器(Active Clamped Forward)(2)

有源鉗位正激變換器(Active Clamped Forward)(3)

有源鉗位正激變換器(Active Clamped Forward)(4)

有源鉗位正激變換器(Active Clamped Forward)(5)

有源鉗位正激變換器(Active Clamped Forward)(6)

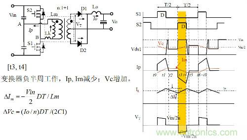
有源鉗位正激變換器(Active Clamped Forward)(7)

有源鉗位正激變換器(Active Clamped Forward)(8)

有源鉗位正激變換器(Active Clamped Forward)(9)

有源鉗位正激變換器(Active Clamped Forward)(10)

橋式變換器(Bridge Type Converter)

橋式變換器(Bridge Type Converter)(1)

橋式變換器(Bridge Type Converter)(2)

橋式變換器(Bridge Type Converter)(3)

橋式變換器(Bridge Type Converter)(4)

橋式變換器(Bridge Type Converter)(5)

橋式變換器(Bridge Type Converter)(6)

橋式變換器(Bridge Type Converter)(7)

幾種隔離式變換器之比較

推薦閱讀:



